Menü aufrufen
Toggle preferences menu
Persönliches Menü aufrufen
Nicht angemeldet
Ihre IP-Adresse wird öffentlich sichtbar sein, wenn Sie Änderungen vornehmen.


RT-Steuerung


Die Steuerung des Radioteleskops erfolgt durch einen Controller im Fuß des Teleskops, der mittels LX200-Messages über eine RS485-Verbindung von einem PC im Kontrollraum (ca. 20m entfernt) angesprochen wird.

RT Control flowchart


Controller

Schematic | Layout

Sourcecode der AVR-Firmware als Snapshot aus dem SVN-Online Repository: https://rm-radeberg.dyndns.org/trac/browser/trunk/avr/radio/aktuell

RS-485 Interface

Rev.1: Schematic | Layout

Datenerfassung

ADC

Spektralanalyzer/Solarspektrometer via USB-Dongel

Es kann ein max 3,2Mhz (resp. 2x1,6Mhz) breiter Ausschnitt im Bereich 65Mhz... ca. 1700(?)Mhz (mit Lücken) gezeigt werden. Direktmischverfahren aus der Konsumerelektronik (DVB-T). Für breitere Anwendungen (abschnittsweise Abtastung) ist die bisher bekannte Auslese über USB-Schnittstelle in die Puffer des ALSA-Soundsystems möglich, aber langsam. [1] GUI: gqrx aus dem GNU-Radio-Programm; Scans ebenfalls per Python-Applikation [2]

Realtek RTL 2832U, Oberseite. Der Tuner unten rechts, links der Controller
Realtek RTL 2832U, Unterseite
Tuner, Quelle: Elonics

RF/IF

RT Signal flowchart


Antenne

Simulation und Vergleich der kompletten Antenne mit einfachen Hohlleiter-Feed und Kumar-Feed

An dieser Stelle sind die Ergebnisse der Parabolantenne mit Hohlleitererreger zusammengefasst. Sie basieren auf der Berechnung mit einem 3D-Maxwellsimulator nach der Finite Elements Method (FEM). Bei dem Feedhorn handelt es sich um einen Rundhohlleiter mit λ/4-Erregerstift. Zwei Varianten, Feedhorn ohne und mit zusätzlichen Choke-Ring werden miteinander verglichen. Der zusätzlichen Choke-Ring dient zur Aufweitung der Halbwertsbreite des Feeds, um die Stromverteilung auf der Schüssel und damit die Ausleuchtung zu verbessern. Der Reflektor selbst ist ein Paraboloid mit einem Durchmesser (D) von etwa 3m und einer Tiefe von 75cm. Die Brennweite (f) selbst ist aber 77cm so, dass f/D=0,26 ein sehr kleines also ungünstiges Verhältnis darstellt. Die Halbwertsbreite muss also stark aufgeweitet werden, um das Feld optimal über dem Reflektor zu verteilen und die Effektivität der Antenne zu erhöhen. Ausgangspunkt der Parameter sind die Ergebnisse nach der Kumar-Feed-Berechnung:

Berechnung Hornstrahler mit Choke-Ring
Ergebnisse der 3D-Simulation

Folgende Änderungen hatten sich bei der Berechnung als günstig erwiesen:
1. Die Hohlleiterwellenlänge war etwas kürzer (34,7cm) als berechnet (36,2cm).
2. Die Länge des Hohlleiters wurde vergrößert (von 27,2cm auf 52cm) um den ersten parasitären Ausbreitungsmode (TM01-Welle) besser zu unterdrücken.
3. Es ergibt sich dadurch eine andere Position des Erregerstiftes (9,1cm auf 12,6cm), der entsprechend einer optimalen Anpassung platziert wurde. Dies ergibt sich durch die Änderung der Hohlleiterwellenlänge und des damit verbundenen Stehwellenverhältnisses.

Auf den folgenden Bildern sind links die Ergebnisse ohne und rechts mit Choke-Ring dargestellt.

Modell des Hornstrahlers ohne Choke-ring
Modell des Hornstrahlers mit Choke-ring
3-D Polar Plot ohne Choke-ring
3-D Polar Plot mit Choke-ring

Der maximale Antennengewinn wurde durch den Choke-ring von 8dBi auf 6dBi reduziert und das Feld räumlich breiter verteilt.

YZ-Radiation-Pattern ohne Choke-ring
YZ-Radiation-Pattern mit Choke-ring

Die Halbwertsbreite wurde von 34° auf 42° erhöht. Die 14dB-Breite bleibt aber etwa konstant bei 88°.

Reflexionsdämpfung ohne Choke-ring
Reflexionsdämpfung mit Choke-ring

Die oben beschriebenen Hornstrahler wurden nun gemeinsam mit dem Reflektor berechnet.

Modell des Hornstrahlers ohne Choke-ring mit Parabolreflektor
Modell des Hornstrahlers mit Choke-ring und Parabolreflektor
3-D Polar Plot ohne Choke-ring mit Parabolreflektor
3-D Polar Plot mit Choke-ring und Parabolreflektor


Es ist zu erkennen, dass sich durch die Maßnahme des Choke-rings sich die Abstrahlcharakteristik der Antenne nicht geändert hat. Dies kann damit zusammenhängen, dass in beiden Varianten die Gesamtenergie innerhalb der Schüssel platziert ist (kein Spill-over an den Rändern des Reflektors) und die Verluste durch die Feedabschattung verursacht werden. Dabei scheint die Verbreiterung der Abstrahlung durch die größere Feedfläche vollständig kompensiert zu werden.

Oberflächenstrombelag auf dem Reflektor ohne Choke-ring
Oberflächenstrombelag auf dem Reflektor mit Choke-ring


Durch den Choke-ring wird der Strombelag ein wenig nach außen gedrückt. Er konzentriert sich nicht mehr nur im ersten Ring um das Zentrum der Schüssel sondern verteilt sich besser auf mehrere Ring. Die Unterschiede sind aber sehr gering!

YZ-Radiation-Pattern der Gesamtantenne ohne Choke-ring
YZ-Radiation-Pattern der Gesamtantenne mit Choke-ring


Die Halbwertsbreite der Antenne ist etwa 2,5° bei einem Antennengewinn von 29,3dBi. Das Signal wird über eine 1,5m lange 50Ω-Leitung zum Erreger geführt. Damit ist ein Leistungsverlust von etwa 0,6/0,7dB verbunden. Man kann also bei der Antenne selbst von einem Gewinn von 30dBi ausgehen. Der Plot mit Choke-ring zeigt eine zweite Kurve die die Auswirkung eines De-fokus von 1cm entspricht (Fokalpunkt 76cm).

Zum Vergleich einige theoretische Betrachtungen, um die Güte der Antenne besser einschätzen zu können.
Der maximal mögliche Antennengewinn der Antenne ist G=A+4π/λ2. Wobei A die Kreisfläche mit einem Durchmesser von 3m darstellt (Fläche senkrecht zur Strahlungsrichtung also Antennenwirkfläche). Man erhält G=2008 oder g=33dBi. Bei einem simulierten Gewinn von 30dBi (3dB entspricht der halben Leistung) kann man also von einer Effizienz von η=50% ausgehen. Dies liegt im Bereich der in der Literatur (Paul Wade W1GHZ - Microwave Antenna Book) beschriebenen Werte.

Ein Coffe-Can-Feed (ohne Choke-ring) arbeitet mit einer Effizienz von 60% bei f/D=0,25, einer Feedöffnung von 0,76λ und einem Schüsseldurchmesser von 10*λ (bei uns 14*λ). Man kann das Maxima der Effizienz von f/d=0,35 aud f/D=0,25 verschieben, indem der Hohlleiterdurchmesser verringert wird. Bei 0,6*λ ist dies mit einer Effizienzsteigerung um 5% der Fall. Nachteil ist eine Verschiebung der Hochpassgrenzfrequenz des Hohlleiters, so dass man schon mit 1,5dB Verlust beim gewünschten Ausbreitungsmode TE11 rechnen muss.

Ein Kumar-Feed (mit Choke-ring) wird mit einer Effizienz zwischen 58-68% bei f/D=0,25 und einem Abstand des Choke-Rings von der Feedöffnung von 0,17*λ-0,34*λ angegeben. der derzeitige Aufbau verwendet einen Abstand von 0,26*λ. Man könnte hier also noch weitere Untersuchungen machen, ob eine weiteres Verschieben des Choke-rings zum Feedhornende hin eine weitere Effizienzsteigerung zurfolge hat. Das Kumarfeed verschiebt leider das Maxima der Effizienz zu kleineren f/D nur ganz minimal, sondern erhöht das Maxima selbst bei einem f/D=0,35. Die Effizienz des derzeitigen Aufbaus bei f/D=0,25 selbst bleibt bei beiden Feeds laut Literatur ungefähr konstant mit 50-55%! Dies wird durch die obigen Simulationsergebnisse ja auch bestätigt.

Aus der praktischen Erfahrung des Autors heraus, wird eine Differenz der mit NEC2 simulierten Effizienz und der Realität von einem Verlust von etwa 15% angenommen. Es ist also notwendig die Berechnungen mit NEC2 bei einer Antenne zu wiederholen, um die Qualität der Simulationsumgebung besser einschätzen und mit dem hier verwendeten Simulator vergleichen zu können.

Hier noch zwei Bilder, was bzgl. der Effizienz des Kumar-Feeds möglich ist. Dies wurde aus dem "Microwave Antenna Book" von Paul Wades (W1GHZ) entnommen.

Effizienz der Antenne mit einem normalen Hornstrahler als Feed
Effizienz der Antenne mit Position des Choke-rings als Parameter


Bei der Antenne mit Choke-ring bewegen wir uns derzeit auf der grünen Kurve und haben bei f/D=0.25 etwa die gleiche Effizienz, wie ein normaler Hornstrahler. Wenn man den Choke etwas weiter nach hinten verschiebt, könnte man vielleicht den Gewinn/Effizienz etwas erhöhen.
Zur Durchführung einer Parametersimulation wurde das Design verändert. Der Erregerstift mit der koaxialen Signaleinkopplung wurde entfernt. Der Hohlleiterkurzschluss am Ende des Rohres wurde als strahlende Fläche definiert. Diese Änderungen ermöglichten die Ausnutzung einer E-Feld- und einer weiteren H-Feld-Symmetrie. Es wird also nicht die gesamte Antennenkonstruktion bestehend aus Feedhorn und Reflektor berechnet sondern nur ein Viertel betrachtet. Der Meshing-Algorithmus liefert also nur noch ein Viertel der zur berechnenden Punkte. Da diese aber exponentiell in die Simulationszeit eingehen, ist eine Parametersimulation mit variabler Chokering-Position möglich. Die Ergebnisse zeigten eine Erhöhung der Antennenverstärkung um 0.5dB auf 30.5dB bei einer Vergrößerung der Chokering-Position von 0.21*λ auf 0.31*λ (Optimum) von der Feedhornöffnung aus gesehen. Dies würde eine Effizienz von η=56% bedeuten. Dieses Ergebnis sollte in einer Simulation mit nur einer E-Feld-Symmetrie aber mit Erregerstift und koaxialen Zuleitung verifiziert werden. Leider konnte eine Erhöhung der Effizienz auf diese Weise nicht bestätigt werden. Die Änderungen der Antennenverstärkung in Abhängigkeit von der Chokering-Position waren kleiner als 0.1dB.

Messung des Feedhorns

Am 07.05.2013 wurde die Reflexionsdämpfung des "korrodierten" Feedhorns gemessen. Es sollen weitere vergleichende Messungen erfolgen, um den Einfluß der Kupferoxidschicht und des Klarlacks zum Schutz der Antenne herauszubekommen. Wichtig wäre die Beobachtung einer Frequenzverschiebung und der Güte der Antenne. Wie die tatsächliche Abstrahlung ist, lässt sich mit dieser Messung leider nicht klären.

Gemessene Reflexion des Feedhorns


Andreas hat mit seinem Umbau eine Superarbeit geleistet. Die Resonanzfrequenz wurde mit 1,42GHz bestens getroffen.
Am 14.09.2013 haben wir nun endlich das Feedhorn gereinigt (Kupferoxidschicht mit HCL entfernt und danach noch poliert). Es wurde dann sofort die Reflexionsdämpfung gemessen. Nach der ersten und der zweiten Lackschicht wurde die Messung wiederholt.

Vergleich der Messergebnisse


S11 (rot) - Messung mit Oxidschicht im verschmutzten Zustand
S22 (blau) - Messung im gereinigten Zustand
S33 (magenta) - Messung nach der ersten Lackschicht
S44 (türkis) - Messung nach der zweiten Lackschicht

Die Ergebnisse zeigen, dass durch die Reinigung die Resonanzfrequenz um 10-15 MHz zu höheren Frequenzen verschoben wird. Der Lack kompensiert diese Frequenzverschiebung teilweise. Gleichzeitig verschlechtert sich die Reflexionsdämpfung um etwa 0,5-1dB. Vermutlich erzeugt der Lack am Speisepunkt (Erregerstift - SMA - Übergang) zusätzliche Reflexionen. Der Vorher-Nachher-Vergleich zeigt einen Unterschied der Reflexionsdämpfung bei 1,42GHz von 1dB. Der Wert von besser als 17dB zeigt aber, das die Maßnahmen der Reinigung und Lackierung wahrscheinlich keinen Einfluß auf die Empfangsqualität haben werden. Dies bezieht sich ausschließlich auf die Reflexion. Eine Aussage über das tatsächliche Abstrahlungsverhalten (Gewinn) kann mit dieser Messung leider nicht getroffen werden.

Um den Hohlleiter innen und den Erregerstift noch etwas vor Schmutz und Getier zu schützen wurde eine PVC-Kappe auf den Hohlleiter aufgesetzt. Es zeigte sich das KG160-Rohre gut passen. Die Messergebnisse zeigen eine schlechte Reflexionsdämpfung von nur 13dB, wenn die Kappe direkt auf dem Hohlleiter aufgesetzt wird. Wahrscheinlich wird hier schon der Impedanzsprung der Freiraumimpedanz zur Hohlleiterimpedanz zusätzlich gestört, dass sich das Stehwellenverhältnis im Hohlleiter selbst ändert. Es zeigte sich aber, dass bei einer Verlängerung der Kappe durch ein zusätzliches Rohr die Reflexionsdämpfung wieder auf etwa 20dB verbessert werden konnte.

Feedhorn mit PVC-Schutz
Feedhorn mit PVC-Schutz


S55 (rot) - Messung mit Kappe direkt an der Hohlleiteröffnung
S77 (blau) - Messung Kappe und zusätzlichem Verlängerungsrohr
S44 (türkis) - Messung nach der zweiten Lackschicht

Welchen Einfluß das PVC auf die Abstrahlcharakteristik des Feeds und damit der kompletten Antenne hat, muss simulationstechnisch geklärt werden.
Die Simulation der Abstrahlung des Feedhorns zeigte, dass durch das PVC die Halbwertsbreite und damit die Ausleuchtung des Reflektors wieder verringert wurde.

3D Polar Plot des Feedhorns mit PVC-Schutz
YZ-Radiation Pattern des Feedhorns mit PVC-Schutz


Der Antennengewinn erhöht sich auf 7,7 dBi bei einer entsprechenden Halbwertsbreite von 34,5°.

Eine Verringerung des Antennengewinns und Erhöhung Halbwertsbreite der Gesamtantenne ist die Folge.

3D Polar Plot der Antenne mit PVC-Schutz
YZ-Radiation Pattern der Antenne mit PVC-Schutz
Oberflächenstrombelag auf dem Reflektor mit PVC-Schutz


Durch den Schmutzschutz zeigt die Antenne den geringsten Gewinn (<29dBi), die größte Halbwertsbreite (3°) und die größte Konzentration des Oberfächenstromes im Zentrum des Reflektors. Der Schutz bringt also eine Verschlechterung des Empfangssignales und sollte somit nicht verwendet werden. Der Klarlackschutz muss ausreichen. Es wird empfohlen, das PVC-"Radom" wieder zu entfernen.

Messung des Helix-Erregers

Es wurde die Reflexionsdämpfung des Helixerregers gemessen.

S11 - Reflexionsdämpfung des Helixerregers


Leider ist hier die Anpassung/Design eher für die doppelte Frequenz (2,8GHz) geeignet. Dieser Erreger ist für 1,42GHz ungeeignet und weist eine Reflexion von 2,4dB auf.

Dann sollten wir dringend eine neue bauen mit exakten Abmessungen --Ulli 13:53, 14. Apr. 2013 (UTC)

Extrem interessante Ergebnisse! (Ich wollte das hier nur kurz vermerkt haben, damit Torsten sieht, dass das auch tatsächlich gelesen und mit Interesse verfolgt wird). --Hgz 00:40, 15. Apr. 2013 (UTC) Danke! Habe ich vermerkt! ;) --Torstenb 17:11, 24. Apr. 2013 (UTC)

Vorverstärker

SLN1420

1420MHz Preamp SLN1420 von SSB-Electronics.

SLN1420, Ansicht mit geöffnetem Deckel
Messprotokoll SLN1420

Es handelt sich hier um einen zweistufigen Verstärker mit einem Helix-Interstagefilter. Er hat eine Verstärkung von 27dB. Die Rauschzahl des Verstärkers liegt bei 0,9dB.

custom Preamp

Torsten Bacher hat einen Versuch unternommen, einen dedizierten Preamp für 1420MHz für unsere Bedürfnisse zu designen. Aufbau und Ergebnisse sind hier zusammengestellt. Rauschmessungen sollten auf jeden Fall verifiziert werden, da der Meßfehler hier starke Abweichungen der Rauschzahl verursacht. Optimierungen sind hinsichtlich Eingangsanpassung an das Feed (evtl. mit Cavity-Kreis) und Filterwirkung erforderlich.

Die Schaltung basiert auf den ATF34143 von Avago. Ein ähnliche Schaltung wurde schon einmal von Ernst Lankeit auf Basis des ATF36077 vorgeschlagen. Der ATF34143 hat aber den Vorteil, dass seine theoretisch minimale Rauschzahl bei 1,42GHz mit 0,14dB unter dem Wert des ATF36077 liegt. Es wurden von dem LNA zwei Varianten aufgebaut und ausgemessen, sowie die Temperaturabhängigkeit der Rauschzahl im Labor ausgemessen.
Der Unterschied der beiden Varianten liegt in der Eingangsbeschaltung des Transistors zur Rauschanpassung. V1 nutzt einem L-Transformator unter Verwendung einer gewickelten SMD-Spule. Diese Induktivität wurde in der V2 durch eine Luftleitung (einmal zum Eingang hin und weiter noch gegen Masse bzw. der Gatespannungszuführung) ersetzt.Dazu musste am Eingang Teile der Leiterplatte entfernt werden.

Foto V1
Foto V2

Bei der oben beschriebenen Grundversion (V1) wurde ein Rauschzahl von 0,64dB bei 20°C gemessen. In der Nachfolgeversion (V2) wurde die drahtgewickelte Induktivität zur Rauschanpassung am Eingang durch einen "Freiluftdraht" mit höherer Güte ersetzt. Dadurch konnte die gemessene Rauschzahl auf 0,44dB bei 20°C abgesenkt werden.

Rauschzahlmessung V1
Rauschzahlmessung V2
Bias-Schaltung zur Erzeugung der Drainspannung und negativen Gatespannung


Da es sich um einen einstufigen Verstärker handelt, liegt die Verstärkung bei 13,9dB (V1) bzw. 16,9dB (V2).
Folgender Temperaturgang der Verstärkung und Rauschzahl konnte gemessen werden:

Temperatur [°C] V1 Gain [dB] V1 NF [dB] V2 Gain [dB] V2 NF [dB]
-15 14,3 0,52 17 0,38
5 14,1 0,57 16,9 0,41
15 14 0,61 16,9 0,44
20 13,9 0,64 16,9 0,44
25 13,9 0,66 16,9 0,51
35 13,9 0,66 16,9 0,51
45 13,8 0,71 16,7 0,61

Der Temperaturgang zeigt, dass es ausreichend sein sollte mittels eines einstufigen Peltierelementes die Temperatur des LNA konstant auf etwa 15°C zu halten. Ein weiteres Herunterkühlen erscheint nicht sinnvoll, da sich die Rauschzahl nicht mehr signifikant ändert (ΔNF<0,1dB).

Es wurden zwei Peltier-Elemente mit einer Kantenlänge von 15mm (4V/4A) und 30 mm (15V/1,8A bzw. 2,7A)auf einem Rippenkühlkörper (Kantenlänge 70mmx100mm) getestet.

Peltier-Elemente


Bei einer Raumtemperatur von etwa 24°C wurde die kalte Seite des Elementes bei der angegebenen Spannung/Strom auf etwa 0°C heruntergekühlt. Die heiße Seite hat dabei den Kühlkörper auf 60°C erwärmt. Die Schwierigkeit wird also darin bestehen die Wärme vom Kühlkörper wegzutransportieren (Lüfter?) und ein entsprechendes Netzteil für den hohen Strom/Leistung zu bauen.

Topfkreis/Cavity-LNA

Die Variante V2 des custom Preamp ist eigentlich eine Vorstufe zu einem Cavity LNA. Dabei muss aber geklärt werden, was die Zielsetzung einer Cavity oder eines Topfkreises ist. Der Topfkreis ist eigentlich ein Filter hoher Güte, bei dem eine kurzgeschlossene λ/4-Leitung als Parallelschwingkreis wirkt. Die unbelastet Güte und damit Bandbreite hängt vom Skin-Effekt und der Leitfähigkeit der Leitung ab. Die belastete Güte ist von der Ein- und Auskopplung abhängig. Um eine 50 Ω-Anpassung zu erreichen muss sehr nah am Kurzschluss ein- bzw. ausgekoppelt werden. Damit ist eine gute Filterwirkung bei akzeptabler Einfügedampfung von (theoretisch) etwa 0,1dB erreichbar. Dabei ist die 3dB-Bandbreite laut Simulation 36MHz.

Topfkreismodell
Frequenzantwort
Reflexionsdämpfung
Smith Chart


Allerdings erhöht dies die Rauschzahl, da der nachfolgende LNA nicht auf sein Rauschoptimum angepasst ist. Man könnte einen der custom Preamps hinter den Topfkreis schalten und mit einer theoretischen Rauschzahl von etwa 0,6dB leben. Allerdings werden die praktisch erreichbaren Werte etwas höher bei 0,5 dB eingeschätzt, so dass die Rauschzahl wahrscheinlich auf etwa 1dB steigt.

Man könnte aber auch wie bei HB9BBD den Topfkreis zu einem Anpassglied oder L-Transformator entarten lassen. Dabei stimmt man die kurzgeschlossene Leitung so ab, dass sie auf der Zielfrequenz induktiv gegen Masse wirkt und koppelt das Signal kapazitiv in die Cavity ein. Damit erhält man dieselbe Schaltung, die auch in den custom Preamps V1 und auch V2 zur eingangsseitigen Rauschanpassung des Transistors genutzt wird. Der Vorteil ist die extreme Güte der als Induktivität arbeitenden Leitung dieser Anpassschaltung. Der Nachteil allerdings ist die geringe Betriebsgüte (belastete Güte) durch die Einkopplung des Signals nah am Hochpunkt. Dadurch geht der Vorteil eines Topfkreises, die hohe Selektivität, verloren.

Topfkreismodell zur Rauschanpassung
S22 - Smith Chart


Das S22 (Ausgangsimpedanz) zeigt eine Transformation der eingangsseitigen 50Ω auf den Rauschanpassungspunkt des Transistors. Für die S-Parameter sind ähnliche Werte, wie bei den custom Preamps zu erwarten. Durch die hohe Güte am Eingang wird die Rauschzahl verbessert. Es wird aber kaum eine Rauschzahl unterhalb von 0,35dB zu erwarten sein.

Downconverter

UEK21 von SSB-Electronics (Schaltplan)

  • modifiziert für externe LO-Injektion (116MHz)

Messung der HF-ZF-Strecke

Die komplette HF-ZF-Strecke wurde am 13.05.2013 gemessen um die Funktionalität zu überprüfen und eine mögliche Verbesserung durch einen LNA direkt am Antennenausgang einzuschätzen. Bei den System-Messungen wurde die Referenzebene an den SMA-Antennenausgangs-Connector gelegt. Folgende Ergebnisse wurden erreicht:
LNA-Verstärkung = 25dB
LNA-Rauschzahl = 0,9dB
LNA-Bandbreite = 30MHz
LNA-Kompressionspunkt = -15dBm am Eingang
System-Verstärkung = 50dB
System-Rauschzahl = 1,9dB
System-Bandbreite = 12MHz
System-Kompressionspunkt = -55dBm am Eingang
Stromaufnahme = 152mA an 12V

Frequenzgang des LNA
Frequenzgang und Rauschzahl des HF-ZF-Systems


Durch Vorschalten des Custom PreAmp V2 erreicht man die folgenden Verbesserung:
System-Verstärkung = 67dB
System-Rauschzahl = 0,7dB
Stromaufnahme = 172mA an 12V

Frequenzgang und Rauschzahl des HF-ZF-Systems mit zusätzlichen LNA

ZF-Filter

  • zweipoliger 28MHz LC-Filter

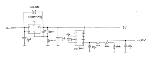
Detektor

  • logarithmischer Detektor basierend auf AD8307 von Analog Devices
  • Konversionsfaktor: 25mV/dB

Rev. 1: Schematic mit 28MHz LC-Filter

70 MHz DDS

DDS-PCB

Schematic

Clockbuffer

Schematic

Controller

500 MHz DDS

HF-Bandpass

Interdigitalfilter

4-Finger-Interdigitalfilter in gefrästem Alugehäuse. Rechenprogramm und Beispiele. Auslegung ausgewiesen in Zoll.

HF-Bandpass, Maße in mm

Hilfe, wie kriegt man die Zeichnung klein...---> Habe ich mal schnell gemacht.

Ich habe ein solches Interdigitalfilter für 920MHz bei mir liegen. Die vier Finger sind etwa 80mm. Ob und wie man dieses Filter modifizieren kann, werde ich erst im März untersuchen können. Die Anschlüsse sind Mini-DIN und damit kein richtiger Standard mehr. Entsprechende Adapter auf N habe ich bestellt, bekomme ich aber erst Ende März geliefert.

Modifiziertes UHF-Bandpass-Filter

Ich habe auf dem Amateurfunkflohmarkt ein UHF-Bandpass-Filter von Rohde-Schwarz erstanden. Beim Öffnen des Gehäuses zeigte sich ein Glücksgriff. Auch wenn das Filter für 620MHz entwickelt und abgeglichen wurde, basiert der Aufbau auf drei Topfkreise, die über Kurzschlusswindungen miteinander verkoppelt sind. Um den Aufbau klein zu halten, wurde mit Dachkapazitäten gearbeitet. Damit stehen die Chancen gut, einen Umbau auf 1,42GHz durchzuführen.

R&S UHF-Bandpass, 620MHz
Messung, 620MHz
Messung, bis 6GHz

Die Messung ergab sehr gute Eigenschaften in Bezug auf Durchlassdämpfung (0,5dB) und Bandbreite (12 MHz). Die Breitbandmessung zeigt weiterhin den Durchlass der 4. Oberwelle bei 2,5GHz und entsprechende Gehäuseresonanzen oberhalb von 4GHz.

Das Filter wurde für 1,42GHz modelliert und berechnet.

Bandpass-Umbau, Modell
Bandpass-Umbau, Simulationsergebnis

Dabei zeigte sich, dass nicht nur die Dachkapazitäten entfernt werden müssen, sondern die Stifte außerdem um etwa 3mm gekürzt werden müssen. Die Stifte wurden entnommen und von außen neu eingelötet.

Bandpass, 1420MHz
Messung, 1420MHz
Messung, bis 6GHz
Return Loss, bis 1420MHz

Auch hier sind die Messergebnisse zufriedenstellend. In der Bandbreite +/-10MHz ist die Dämpfung kleiner 0,4dB. Damit liese sich das Filter auch vor dem LNA betreiben. Natürlich mit der Verschlechterung der Rauschzahl um den Wert der Signaldämpfung. Dies wäre nur notwendig, wenn sich ein zu schlechter Intermodulationsabstand des LNA durch Störsignale ergeben würde. Die 3dB-Bandbreite ist 33MHz. In diesem Bereich ist die Reflexionsdämpfung besser als 15dB. Die Gehäuseresonanzen oberhalb von 4GHz lassen sich so natürlich nicht beeinflussen. Dazu müssten die Gehäuse der Topfkreise umgebaut werden. Wir müssen überlegen, ob in der Signalkette nicht noch ein einfaches Tiefpassfilter eingebaut werden sollte.

Solar-Spektrometer, alte Komponenten

Das ist eigentlich überholt durch die Anwendung des DVB-T_Sticks. Ich lasse es trotzdem stehen für die Dokumentation. --Ulli 16:19, 15. Sep. 2012 (UTC)

Anschlüsse ccw von links beginnend gelesen

Frontend
RF in koax, 45...870MHz

VCC=7VDC, Gain/AGC, ZF1 out (37MHz koax SMA), ZF1 Enable, ZF2 Enable, ZF2 out (10,7MHz koax SMA),

---

I 2C Bus SDA (grün), I 2C Bus SCL (schwarz) (beide incl. Pullups)

Frontend,

Tuner 1516/H

Demodulator, ohne Detektor
AM Fieldstrength,

AM, NFM, WFM,

Enable,

ZF2 in (10,7MHz koax SMA), Detektor Out, VCC7VDC,

Demodulator
TV Demodulator
ZF1 in, AFC, Fieldstrength, AGC, VCC15VDC,

Video, Audio

TV-Demodulator
noch zu komplettieren Filterbank

Jumper in Filterbank gesetzt: Kanal 1 durchgeschaltet ohne Filter, ansonsten 280kHz Breite. Schalten: 0V=off, 5V=on

Rauschquelle

Die Rauschquelle stammt aus einem Bausatz , veröffentlicht in Dubus 2/1996, von DJ9BV. Es wird eine Rauschdiode vom Typ NC305BL eingesetzt. Vermutlich mit ENR 4,7dB, sollte aber mal gemessen werden.

Rauschquelle


NIM-Crate

Zur Standardinstrumentierung der im Kontrollraum befindlichen Elektronik wurde der NIM-Standard (Nuclear Instrumentation Module) gewählt. NIM wurde ursprünglich 1964 ins Leben gerufen und wird durch die Konstanz der Spezifikationen in extrem vielen Bereichen, v.a. in der Forschung eingesetzt. Eine gute Zusammenstellung der Eigenschaften ist hier zu finden. Das NIM-Crate bietet Aufnahme für standardisierte Module, die durch einen Backplane-Connector mit verschiedenen positiven und negativen geregelten Spannungen versorgt werden. Hier noch eine grafische Darstellung der Pinbelegung.


Die Module werden von den hinteren Kontakten mit Spannung versorgt. Der Einschubort ist unerheblich für die Funktion.

Bereits bestehende Module:

1. Kommunikation mit Controller für Position und Antrieb

2. ADC/DAC für Signal, derzeit oberste BNC-Buchse als ADC beschaltet

3. Detektor


Geplante resp.im Aufbau begriffene Module:

4. 70MHz DDS-Oszillator für Downconversion

technische Dokumentation

technische Dokumentation des Radioteleskops als pdf-file

Datenblätter

elektronische Komponenten

Drehgeber

Motoren

Netzteil RT-Außenanlage