Menü aufrufen
Toggle preferences menu
Persönliches Menü aufrufen
Nicht angemeldet
Ihre IP-Adresse wird öffentlich sichtbar sein, wenn Sie Änderungen vornehmen.

Mechanik und elektromagnetische Einkoppelung: Unterschied zwischen den Versionen

Aus RadioWiki
Ulli (Diskussion | Beiträge)
Ulli (Diskussion | Beiträge)
Zeile 127: Zeile 127:
=== Kalibrierung ===
=== Kalibrierung ===


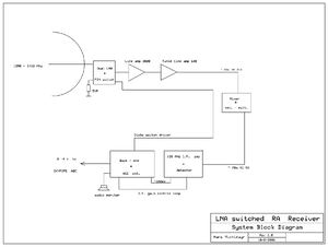
* Lösung des Kalibrierzweiges nach Michlmayer s.[[Media:Block_diagram.jpg|Schaltschema]] [[Datei:Block diagram.pngthumb|Schema]]
* Lösung des Kalibrierzweiges nach Michlmayer s.[[Media:Block_diagram.jpg|Schaltschema]]  
[[Datei:Block_diagram.png|thumb|Schema]]


--uKu 08:12, 20. Aug. 2009 (UTC)
--uKu 08:12, 20. Aug. 2009 (UTC)


== '''[[Prüfzyklus und Revisionen]]''' ==
== '''[[Prüfzyklus und Revisionen]]''' ==

Version vom 2. Dezember 2009, 16:19 Uhr

Fahrbetrieb

Auflösung

  • Der Reflektor kann mit einer Auflösung von 0,1° für die genaue Zuordnung der Rohdaten resp.
  • zur Vermeidung von ständigen und möglicherweise unnötigen Feinkorrekturen mit einem (von der Bedienkonsole aus einstellbaren) Mehrfachen dieses Wertes v.a. für Trackingbetrieb

gefahren werden.


Endabschaltungen

Die Abschaltungen zur Bediensicherheit liegen bei

  • etwas kleiner als 0° El, zugleich zur Freigabe der Bühne für Arbeiten am Feed
  • größer 90° El zur Vermeidung unnötiger Schwenkvorgänge im Zenit
  • azimutal Süd +/- 0,55 Drehung; Begrenzung zur Abwehr von Kabelverwindungen notwendig


Referenzen

Referenzen zur Kalibrierung der Inkrementalgeber nach Wiederanfahren der Gesamtanlage aus dem Stillstand werden automatisch gesucht. Haken in Indi-Konsole setzen. (Internationale Vereinbarung Az=0=Nord) beachten.

Korrekturwerte

Korrekturwerte der Positionierung können bei Notwendigkeit über die Indi-Konsole eingegeben werden. Prüfung bestens über Kreuzscan an Sonne.


Antriebe

  • Az: Schneckentrieb Modul 6, Raddurchmesser ca.1m, ca. 144 Zähne, DC-Motor mit Pulsweitenmodulation
  • El: Reibrad, Angriffshalbmesser ca. 500mm, DC-Motor mit Pulsweitenmodulation



Reflektor und Feed

Reflektor

Durchmesser 3m, f/d=0,26, Oberflächengenauigkeit ausreichend bis 10GHz, Aluminium

Feed

Feed: Kumar VE4MA mit einfachem Skalar-Ring, einfache Polarisation, skaliert nach SETI-Standart, Grundlagen hierzu, außerdem Berechnung mit Tabellenkalkulation zu öffnen. Kupfer, Übergänge gelötet.

Vorschau
Auskoppelstift mit Anschluss N nach SETI-Norm












Einbau LNA am Feed

Lothar hat Euromas-Gehäuse besorgt, siehe Beschreibung.

Verankerung

Befestigung des Gehäuses am Feed verändert. Der Stift

Auskoppelstift mit Semirigid-Kabel

, Verschraubung, N-Stecker.


  • Norm der Kabelanschlüsse

BNC auf RG58

BNC auf RG174

N auf RG58

N auf Semirigid

Zuordnung Kabel, Stecker


  • * Viel Arbeit. Dank geht an Lothar
  • mit Torsten Messung am ausgebauten Feed (aber mit LNA angebaut) vorabgesprochen --Ulli 11:33, 10. Nov. 2009 (UTC)

Stehbolzen nicht ausgeführt Direktanbringung an Hohlleiterboden aufgelötete Träger Cu --Ulli 20:20, 20. Nov. 2009 (UTC)











Positioniergenauigkeit Feed

  • Auswirkungen axialer Versetzungen in der Praxis (Paul Wade).
    Beispiel: Signaldegradation durch axiale Versetzung vs. Effizienz, Beispiel-Feed
    Beispiel ein Reflektor f/d=0,5. Für tiefere Reflektoren schlimmeres zu erwarten.
  • Für laterale und axiale Versetzungen siehe hier. Alte und immer noch unlesbare, sehr gute Ausarbeitung mit einigen interessanten Diagrammen zu normierten Größen.



Kalibrierung

Schema

--uKu 08:12, 20. Aug. 2009 (UTC)

Prüfzyklus und Revisionen